一.采购人名称:温州职业技术学院
二.采购项目名称:数控车配套、智能线配套
四.原采购公告发布日期:2019年12月02日
五.更正理由:采购内容有所调整
六.更正事项:
1、原技术要求中数控车配套部分增加推荐品牌:“A档:瑞典山特维克等同档品牌;B档:台湾益诠等同档品牌;C档:中国卡玛斯等同档品牌” 。
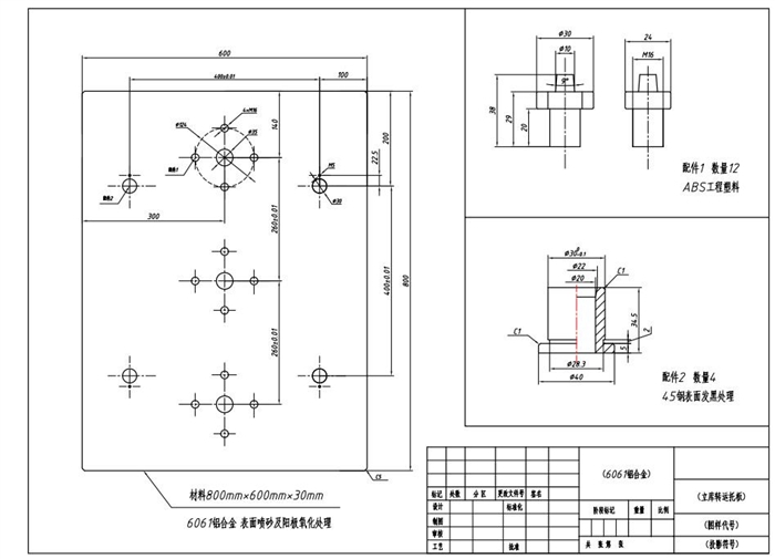
2、立库转运托板图纸如下:

3、其余不变。
七.其他事项:无。
八、联系方式
采购人名称:温州职业技术学院
采购人联系人:叶老师 电话:0577-86680027
地址:温州职业技术学院茶山正徳楼
采购代理机构名称:浙江乐诚工程咨询有限公司
地点:温州大学茶山南校区行政楼509B
联系人:钱老师 联系电话:0577-86596032
温州职业技术学院
浙江乐诚工程咨询有限公司
2019年12月09日